
電話:0769-85189162 26980325
傳真:0769-81610656
郵箱:leesun@leesuncn.com
sales@leesuncn.com
地址:廣東省東莞市南城區第一國際百安中心B座303室
原產臺灣,耐水,耐塵,耐高溫,頻繁使用耐久性高,性能穩定。
利用空氣壓力動作,無電氣火花,具有防暴性,安全可靠。
制動力可任意調整,制動矩范圍廣。
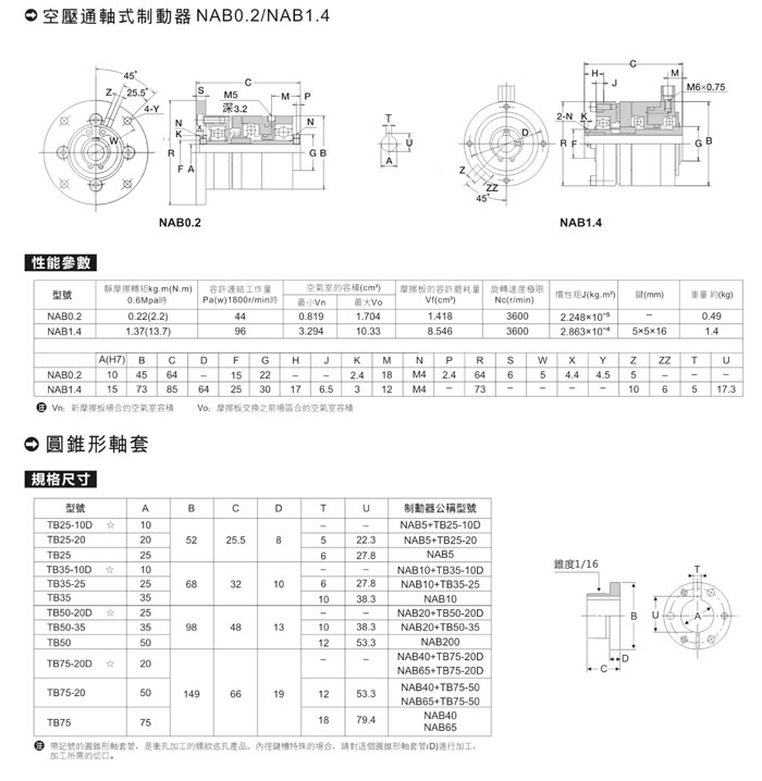
用帶楔的圓錐形軸套管往軸上安裝,擁有摩擦板可在保持機械設備原樣的情況下進行交換的構造。
靠安裝在帶輪轂的圓盤上的冷卻片來散發因摩擦而產生的熱量。摩擦板是雙切口對開式,通過帶輪轂圓盤的孔,用螺絲刀把埋頭螺釘取出來后即可交換摩擦板。
產品特性
1.制動平穩:靠調整空氣壓,使得制動順暢
2.扭力調整范圍寬:空氣壓調整范圍為0.4-6Mpa,易于調整
3.最適用于連續滑動或高頻使用:連續滑動時,散熱效果佳,滑動功率良好,在高頻率、高負載等條件下也耐用,并可空轉使用
4.適用于各種環境中使用:因利用空氣壓力來制動,所以不會產生電氣火花,具有防爆性,安全可靠。
5.保養容易,壽命長:非石棉材質摩擦片,耐磨性高,更換容易。
基本構造及動作
NAB型空壓制動器使用帶楔的圓錐形軸套管往軸上安裝,擁有摩擦板可在保持機械設備原樣的情況下進行交換構造。
靠安裝在帶軸轂的圓盤上的冷卻片來散熱。
摩擦板是雙切口對開式,通過帶軸轂圓盤的孔,用螺絲刀把沉頭螺釘取出來后即可更換摩擦板。